DRAM
Dynamic Random Access Memory
       zurück ]      [ Stichworte ]      [ Die Hyper-Bibliothek ]      [ Systemtheorie ]         [ Meine Bücher ]
 
bild

Die ganze Speichergeschichte ist noch etwas unsortiert und kompliziert. Mir fehlt noch ein einfaches Modell.


 

Als DRAM (Dynamic Random Access Memory) bezeichne ich ... eine Technologie für einen elektronischen Speicherbaustein mit wahlfreiem Zugriff (Random-Access Memory, RAM), der hauptsächlich in Computern eingesetzt wird, jedoch auch in anderen elektronischen Geräten wie zum Beispiel Druckern zur Anwendung kommt. Das speichernde Element ist dabei ein Kondensator, der entweder geladen oder entladen ist. Über einen Schalttransistor wird er zugänglich und entweder ausgelesen oder mit neuem Inhalt beschrieben.
Der Speicherinhalt ist flüchtig, das heißt die gespeicherte Information geht bei fehlender Betriebsspannung oder zu später Wiederauffrischung verloren.

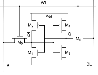
bild bild Quelle: Wikipedia

 

 

Lesen und schreiben:

Lesezugriff
Wir nehmen an, dass der Speicherzustand bei Q auf logisch 1 gesetzt ist. Der Lesezugriff startet dann mit dem Aufladen der beiden Bitlines auf die Hälfte der Betriebsspannung, gefolgt von dem Schalten der Wordline, um beide Zugriffstransistoren durchzuschalten. Als zweiten Schritt werden dann die jeweiligen Werte von Q und Q auf die Bitlines übertragen, d. h. BL bleibt aufgeladen und BL wird über M1 und M5 zu einer logischen 0 entladen (M1 ist aktiviert, weil Q auf eine logische 1 gesetzt ist). BL wird durch M4 und M6 über die Versorgungsspannung auf der logischen 1 geladen. Wenn der Speicherzustand vorher 0 gewesen wäre, wäre das Verhalten entsprechend entgegengesetzt. Der Unterschied zwischen BL und BL kann dann durch einen Leseverstärker ausgelesen werden.

Schreibzugriff
Der Schreibzugriff beginnt damit, dass der zu schreibende Wert auf die Bitlines gelegt wird. Wenn wir also eine 0 schreiben wollen, wird BL auf 0 und BL auf 1 gesetzt. Beim Schreiben einer 1 werden die beiden Werte vertauscht. In der Folge wird dann die Wordline geschaltet, so dass der Wert in die Speicherzelle geschrieben wird. Dies funktioniert, weil die relativ schwachen Transistoren, die die Inverter bilden, durch die relativ starken Bitlines überschrieben werden können. Eine entsprechende Größenauslegung der Transistoren ist bei der Herstellung notwendig, damit das Überschreiben einwandfrei funktioniert.

bild bild Quelle: Wikipedia

 
[ So funktioniert DRAM ]
[wp]